“PWM控制芯片+全桥结构驱动电路”构成的基本形式
“控制芯片+全桥结构驱动”构成方案最适合于直流非常宽的应用,因此几乎所有笔记本电脑都采用全桥方式。在笔记本电脑中,的直流直接来自系统的主直流电源,其变化范围通常在7V(低电池电压)~21V(交流)。另外,这种构成方案在液晶彩电、中也有较多的应用。
全桥结构驱动电路一般由四只场效应管或四只构成,根据场效应管或晶体管的类型不同,该构成方案主要有两种结构形式,一种是采用四只N沟道沟道场效应管;另一种是采用两只N沟道沟道场效应管和两只P沟道场效应管。
(1)全桥驱动电路采用四只N沟道场效应管
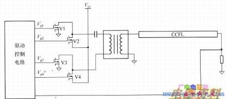
全桥驱动电路采用四只N沟道场效应管的结构形式如下图所示。
电路工作时,在驱动控制的控制下,使Vl、V4同时导通,V2、V3同时导通,且Vl、V4导通时,V2、V3截止,也就是说,Vl、V4与V2、V3是交替导通的,使一次侧形成交流电压,改变开关脉冲的占空比,就可以改变Vl、V4和V2、V3导通与截止时间,从而改变变压器的储能,也就改变了输出的电压值。
需要注意的是,如果Vl、V4与V2、V3的导通时间不对称,则变压器一次侧的交流电压中将含有直流分量,会在变压器二次侧产生很大的直流分量,造成磁路饱和。因此全桥电路应注意避免直流电压分量的产生,也可以在一次回路串联一个,以阻断直流。

(2)全桥驱动电路采用两只N沟道和两只P沟道场效应管
全桥驱动电路采用两只N沟道和两只P沟道场效应管的结构形式如下图所示。
电路工作时,在驱动控制IC的控制下,使V4、Vl同时导通,V2、V3同时导通,且V4、Vl导通时,V2、V3截止,也就是说,V4、Vl与V2、V3是交替导通的,使变压器一次侧形成交流电压。
在“PWM控制芯片+全桥结构驱动龟路”构成方案中,PWM控制芯片常采用OZ960、OZ970、OZ9910、BIT3105、BIT3106、MPS1010B、MP1OZ6、MP1OZ9、MP1038、BD9883、BD9884等。
