《电路理论》实验一 元件伏安特性的测绘
一.实验目的
1. 学会识别常用元件的方法。
2. 掌握线性、非线性元件伏安特性的逐点测试法。
3. 掌握实验台上直流电工仪表和设备的使用方法。
二.原理说明
任何一个二端元件的特性可用该元件上的端U与通过该元件的I之间的函数关系I=f (V)来表示,即用I-V平面上的一条曲线来表征,这条曲线称为该元件的伏安特性曲线。
1. 线性器的伏安特性曲线是一条通过坐标原点的直线,如图1-1中a所示,该直线的斜率等于该电阻器的电阻值。

2. 一般的白炽灯在工作时灯丝处于高温状态时,其灯丝电阻随着温度的升高而增大,通过白炽灯的电流越大,其温度越高,阻值也越大,一般灯泡的“冷电阻”与“热电阻”的阻值可相差几倍至十几倍,所以它的伏安特性如图1-1中b曲线所示。
3. 一般的半导体是一个非线性电阻元件,其特性如图1-1中c曲线。正向压降很小(一般的锗管约为0。2~0。3,硅管约为0。5~0。7V),正向电流随正向压降的升高而急骤上升,而反向电压从零一直增加到十多至几十伏时,其增加很小,粗略地可视为零。可见,二极管具有单向导电性,但反向电压加得过高,超过管子的极限值,则会导致管子损坏。
4. 是一种特殊的半导体二极管,其正向特性与普通二极管类似,但其反向特性较特别,如图1-1中d曲线。在反向电压开始增加时,其反向电流几乎为零,但当电压增加到某一数值时(称为管子的稳压值,有各种不同稳压值的)电流将突然增加,以后它的端电压将维持恒定,不再随外加的反向电压升高而增大。
三. 实验设备
|
序号 |
名 称 |
型号与规格 |
数量 |
备注 |
|
1 |
可调直流稳压 |
0~30V |
1 |
DG04 |
|
2 |
-30或其他 |
1 |
||
|
3 |
直流数字毫安表 |
1 |
D31 | |
|
4 |
直流数字电压表 |
1 |
D31 | |
|
5 |
滑线变阻器 |
1 |
||
|
6 |
二极管 |
2CP15 |
1 |
DG10 |
|
7 |
2CW51 |
1 |
DG10 | |
|
8 |
白炽灯 |
12V |
1 |
DG10 |
|
9 |
线性电阻器 |
RJ-1W-1KΩ |
1 |
DG09 |

四. 实验内容
1. 测定线性电阻器的伏安特性
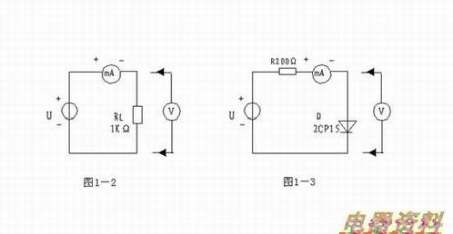
按图1-2接线,调节稳压的输出电压U,从0伏开始缓慢地增加到10伏,记下相应的电压表和电流表读数。
|
U(V) |
0 2 4 6 8 10 |
|
I (m A) |
2. 测定非线性白炽灯泡的伏安特性
将图1-2中的 RL 换成一只12V的汽车灯泡,重复1的步骤
|
U(V) |
0 2 4 6 8 10 |
|
I (m A) |
3. 测定半导体二极管的伏安特性
按图1-3接线,R为限流电阻器,测二极管的正向特性时,其正向电流不得超过25 m A,二极管D正向压降可在0~0。75V之间取值。特别是在0。5~0。75之间更应该多取几个测量点。作反向特性实验时,只需将图1-3中的二极管D反接,且其反向电压可加到30V。
正向特性实验数据
|
U(V) |
0 0.2 0.4 0.5 0.55 ……0.75 |
|
I (m A) |
反向特性实验数据
|
U(V) |
0 -5 -10 -15 -20 -25 -30 |
|
I (m A) |
4.测定稳压二极管的伏安特性
只要将图1-3中的二极管换成稳压二极管,重复实验内容3的测量。
正向特性实验数据
|
U(V) |
|
|
I (m A) |
反向特性实验数据
|
U(V) |
|
|
I (m A) |
五. 实验注意事项
1. 测二极管正向特性时,稳压电源输出应由小到大逐渐增加,应时刻
注意电流表读数不得超过25 m A,稳压源输出端切勿碰线短路。
2. 进行不同实验时,应先估计算电压和电流值,合理选择仪表的量程,
勿使仪表超量程,仪表的极性亦不可接错。
六. 思考题
1. 线性电阻与非线性电阻的概念是什么?电阻器与二极管的伏安特性
有何区别?
2. 设某器件伏安持性曲线的函数式为I=f (V),试问在逐点绘制曲线时,
其坐标变量应如何放置?
3. 稳压二极管与普通二极管有何区别,其用途如何?
七. 实验报告
1. 根据各实验结果数据,分别在方格纸上绘制出光滑的伏安特性曲线。
(其中的二极管与稳压管的正、反向特性均要求画在同一张图中,正、反向电压可取为不同的比例尺)
2. 根据实验结果,总结、归纳被测各元件的特性。
3. 必要的误差分析
心得体会及其他。
- 上一篇:《电路理论》-实 验 守 则
- 下一篇:《电路理论》实验二 基尔霍夫定律与叠加原理