将长虹C2588彩电“起死回生”
一台已修理多次、本想淘汰的长虹C2588彩电,故障现象为。根据现象拆机检查显像管的灯丝及阴极发射能力均较好,说明尚有维修价值,决定帮它“起死回生”。首先按常规检查,断开行供电,用一只60W灯泡代替行,开机测行为115V,说明正常。断电,用挡测行管集电极对地为20Ω左右,说明行电路存在短路性故障,原因可能为行管、行逆程击穿、行S校正击穿,以及内部击穿等。经查,原因为行管击穿。更换同型号行管后开机,出现光栅,接上天线,图像声音均出现,以为已经“搞定”。不想十余分钟后出现“吱吱”的放电声,未及关机,只听“啪”的一声,光栅顿时消失。再查,行管又击穿了。仔细观察,发现温升甚高,还有胶状物沿其侧面一极细小孔流出,显然是行输出绝缘老化,造成内部高压向外放电(该小孔就是放电路径),峰值电压很高的放电脉冲叠加在行输出电路中,最终将行管击穿。换上新的同型号行输出变压器与行管,为防止行管再次损坏,在行供电电路中串接一只0.7A保险丝及(拨至直流挡进行检测),开机,观察行电流在0.5A~0.65A之间且长时间保持稳定,这才放心地将电路恢复原状,开机收看。
在收看过程中,又出现了新问题:图像上方出现多条回扫线且上部有局部压缩,说明场扫描电路也存在故障。根据维修经验,大多是电容老化或漏电所致。经仔细检查,发现场输出电路的电容C320(10μF/160V,见下图)位于两只场输出管的散热片之间,长期高温烘烤变质失效。将C320拆下,用数字表电容挡测其容量已不足0.2μF。将其换新,回扫线消失,图像基本恢复正常。为防止此电容再次损坏,用长导线将其引至远离散热片的位置固定。

再次开机收看,不到5分钟,又出现第三种故障现象:光栅在水平方向不时发生抽动,且时宽时窄。
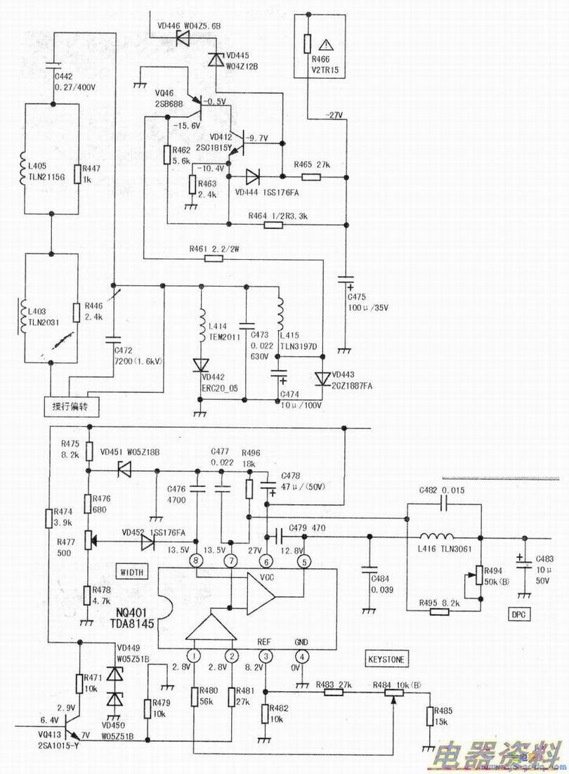
关机冷却半小时后再开机,光栅水平宽度不足,且枕形与S形失真均较明显,调整行幅度、行枕校量及梯形失真三个调节电位器使光栅恢复至正常状态,5分钟后行幅又变大了且不断抽动,显然是行输出电路中某元件热稳定性不好导致上述故障。查阅电路图(见上图)知,枕校调整管VQ46(2SB688)是型大功率管,连接在行幅度电路中,电流高达数安,若其温度特性不好,会导致行幅不稳定。手摸其散热片很烫。而且该散热片体积较小。换一较大的散热片后,温升降低了,但故障现象依旧。怀疑管子特性变坏,试换新管,故障不变。定下心来,考虑到特性与温度密切相关的元件最可能是电容,于是将行输出逆程电容、枕校部分有关电解电容逐一更换,故障现象依然!仔细研究电路,发觉行幅度大小与枕校调节电路(见下图)直接相关。该电路中设有行幅度调整R477(WIDTH)、行枕校量调整R484(KEYSTONE)、梯形失真调整R49q(DPC)三只小型电位器,试调整它们的阻值,都能起作用,便再次分别调整它们,使光栅失真为最小,但收看不到两分钟,又出现行幅变化且不停抽动现象。难道是电位器热稳定性不好?、电位器热稳定性不好是很少见的。将三只电位器均拆下用万用表测量,发现行幅度调整电位器R477(500Ω)阻值增大至2kΩ左右,用烙铁对其进行烘烤,其阻值在2kΩ~6kΩ之间变化不定,中心抽头至两端的阻值也在不停变化,看来罪魁祸首就是它了!将其换新后,行幅立即稳定下来,不再抽动,开机数小时一切正常。再次细心调整上述三只电位器及行中心(R452)、场中心(S301)、场幅度(R352)等可调元件,使图像达最佳状态。

- 上一篇:数字电视机顶盒维修之我见
- 下一篇:拆除显像管尾部的塑料护套 各有高招