笔记本电脑电源系统易损电路的检修
与普通的台式电脑一样,笔记本电脑主板的故障率也是最高的。虽然笔记本电脑主板采用的(芯片组)多种多样,不过只要掌握其构成结构、各电路的供电、时钟以及电路的基本工作原理等知识,维修笔记本电脑主板也会像维修台式机主板一样轻而易举。在笔记本电脑的主板电路中,比较容易损坏的电路就是管理电路和充电控制电路,由于篇幅所限,本文就只介绍笔记本电脑的管理电路和充电控制电路的工作原理和常见故障的维修方法。
一、笔记本电脑电源管理电路
电源管理电路又称系统供电电路,该电路的主要作用就是用来将锂离子电池或者提供的+12V/+16V电压经过变换后产生+5V、+3.3V的电压为其他电路提供工作电压。在笔记本电脑中,电源管理电路采用的主要有MAX1631、MAX1632、MAX1999、LTC3728等型号。其中MAX1631与MAX1632的引脚功能(只是部分引脚功能不同,不能互相代换)和工作原理基本一致,在维修工作中可以互相参考。
1.MAX1631构成的电源管理电路
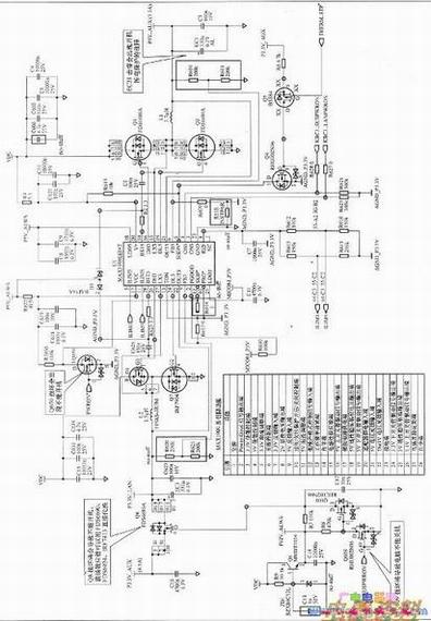
MAX1631是美信公司生产的双输出、同步降压电源转换器,目前广泛应用在笔记本电脑的电源管理电路中。应用MAX1631的机型主要有IBMR51、IBMR50E、IBMT40、IBMT23、IBMR31、IBMR30、IBMT30、IBMR40等机型。MAX1631构成的电源管理电路如图1所示(图1电路以MAX1631在IBMR51机型中的应用电路为例,元器件编号与IBMR51机型一致,其他相关机型中的元器件编号可能稍有差异)。
MAX1631内部有两个稳压器,输出电压的范围是2.5V~5.5V,根据工作模式的不同,可以输出3.3V和SV的固定电压,或者可调的电压。MAX1631有次级反馈输入端(SECFB),通过STEER引脚来选择哪个PWM调压器(3.3V/5.5V)接收次级反馈信号,通过外部的分压装置可以灵活产生非12V的电压(所谓次级反馈就是把芯片外围电路里线圈或者的次级电压反馈回给芯片)。MAX1631的引脚功能如下图所示。

MAX1631的工作状态由SHDN(23脚)、SEQ(15脚)、TIME/ON5(7脚)引脚的控制。
在上图电路中,按下开机按键后,主板上的相关电路会输出一个2.6V~3.OV的开机信号到U41(MAX1631)的28脚,使U41内部的PWM开始振荡,从27、24脚输出相反的波形信号,加到Q18内部两个场效应管的栅极,控制Q18内部两个场效应管的导通与关断,将电池提供的+16V电压降低为3.3V,为系统电路供电。
U41的16、19脚输出另外两路相位相反的波形信号,加到Q16和Q17的栅极,Q16和Ql7在PWM控制芯片的控制下轮流导通(导通的顺序和频率由PWM控制芯片控制)。Q16导通时,Q17截止,此时可以将电能储存在储能L3中,Q16截止时,Q17导通,此时L3中储存的能量经过电解C511、C520后得到平滑稳定的+5V电压。肖特基D28起稳压保护作用和快恢复作用,若该二极管,将导致笔记本电脑出现不能启动且掉电的故障。
在实际维修工作中,MAX1631损坏的几率不大,维修时可以用示波器观察MAX1631的PMW信号输出端在开机瞬间有无波形信号。如果在开机瞬间有波形输出,并且立即消失,这说明MAX1631基本正常,故障一般是反馈端外接的元器件损坏或者滤波电解以及场效应管短路造成过流保护。若开机瞬间没有波形信号输出,说明故障系MAX1631本身损坏,更换MAX1631即可排除故障。若MAX1631的22脚供电电压不正常,也会导致电源电路不工作。