变频电机的结构
变频电机具有直流电机特性、却采用交流电机的结构。也就是说,虽然外部接入的是直流电,却采用直流-交流变压控制技术,电机本体完全按照交流电机的原理去工作的。因此,变频电机也叫“自控变频同步电机”,电动机的转速n取决于控制器的所设定的f。
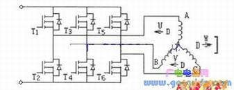
下图是三相星形接法的变频电机控制,直流供电经MOS管组成的三相变流电路向电机的三个绕组分时供电。每一时刻,三对绕组中仅有一对绕组中有通过,产生一个磁场,接着停止向这对绕组供电,而给相邻的另一对绕组供电,这样定子中的磁场轴线在空间转动了120°,转子受到磁力的作用跟随定子磁场作120°旋转。将依次加在A+B-、A+C-、B+C-、B+A-、C+A-、C+B-上,定子中便形成旋转磁场,于是电机连续转动。
