宽频放大器
| 一、宽频放大器的主要性能指标 |
| (1)通频带△f由定义知△f=fH-fL,通常下限fL≈O,△f≈fHo,因此放大器通频带的扩展是设法增大上限频率fH数值。 (2)中频放大倍数KO:它的定义中频段的输出电压UO与输入电压Ui之比。 (3)增益与带宽乘积KO△f存在矛盾,即增大△f就会减小KO,反之则反,所以要用两者之积才能更全面地衡量放大器的质量。KO△f越大,则宽频放大器的性能就越好, (4)上升时间ts:它定义为脉冲幅度从10%上升至90%所需时间,放大器的高频特性越好,则上升时间ts越小。 (5)下降时间tf:它的定义为脉冲幅度从90%下降至10%所需时间, (6)上冲量δ:超过脉冲幅度的百分数, (7)平顶下降量△:脉冲持续期内,顶部下降的百分数,放大器低频特性越好,平顶下降量越小。 |
| 二、扩展通频带的方法和 |
| 通常使用扩展频带的方法有三种:(1)负反馈法,在电路中引入负反馈,并使负反馈量高频时比低频时小,以补尝高频时输出电压减小的损失,这种方法是在不损坏失低频增益下进行补尝,但它的幅频特性却开不平坦,使输出脉冲波出现上冲;(3)利用各种接地电路的特点进行电路组合,以扩展放大器的通频带,下面介绍扩展带的电路 |
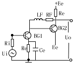
| 1、电压并联负反馈电路 图1是电压并联负反馈电路,这种电路主要补偿集-基结CC、输出CO及放大倍数β随频率升高而引起放大器增益下降的作用,因为,低频时CO的较小,使UO减小。攀?潢摲牥?????师?所以,负反馈量也减小,使高、低频放大倍数基本一致,若RF取值与CC在高频时容抗相当,则CC只能在高频上起作用,把上限频率扩展 |
![]() 图1 |
![]() 图2 |
|
2、电流串联负反馈电路 |
![]() 图3 |
![]() 图4 |
![]() 图5 |
![]() 图6 |
![]() 图7 |
![]() 图8 |
![]() 图9 |
- 上一篇:共集电路(电压跟随器)
- 下一篇:晶体管射极跟随电路(共发射极电路)








