音响集成电路功放故障检测方法
音响故障检测主要判断两点:一是判断故障确实在功放级;二是判断集成块损坏还是外围元件故障。可分三步进行。
1.询问观察
询问故障现象和故障前现象,这是至关重要的,切勿贸然通电以免扩大故障。开盖后检查有无开裂的三极管或,电解有无鼓涨、漏液或爆裂,、、三极管等有无烧焦变色的,引线塑料皮有否变形或粘贴上机壳。如有异常应先及时检测处理之。
2.通电检查
通电时首先检查保险丝。不少音响设备有两级保险丝;总交流保险丝1~2A,置于初级回路上;直流大保险丝5A左右,位于主整流级至功放的回路中。先将正负两路直流保险丝拔掉,总保险丝换好。开机后测直流保险丝输入端的,若电压不正常或出现异常,则表明故障发生在整流滤波部份。若机器无直流保险丝,而加电即烧毁总保险丝,可将正、负电源滤波至功放块电源输入端的连线或印制线路切断后通电,若电压正常则故障在功效级及其前级。
用R×10挡测功放块正、负电源端对地的正、反向。若出现某一端子正、反向对地都只有几欧,则此功放芯片已损坏,需更换。否则即可接通功放电源。一路电源支路插上直流保险丝,另一路用的大电流表档串在保险丝的位置,检测静态电流。正常时,这几种厚膜功放块的静态电流为几十毫安。若电流过小,说明芯片没有进入正常工作;若较大则有可能存在寄生振荡。
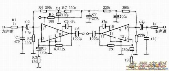
功放级故障可表现为:完全无声、单声道工作、严重或啸叫。首先须检查收音、录放音等功能操作和各种显示是否正常,可改换不同音源,试听故障现象有无改变,从而确定前级没有毛病。若能用高阻耳机(或示波器、音频电压表)接到下图的Rl的A端和右声道对应电阻的A端监听最好,只要声音正常就可判定故障在功放级。

接着可测功放块各极电压.虽然功放块种类很多,电源电压也不一样,但各引脚的正常电压有一定规则:电源输入端分别为正、负电源电压值;前级电源输入端略小于电源电压值,一般差零点几伏。双电源接法时,差动输入级的二个端子和输出端的电压近似为零;对于单电源OTL接法(如下图),上述几个端的直流电位约为电源电压的1/2。静噪各引脚电压前已分析过。检查时如发现电压不对或左、右声道对应引脚电压不相等,都说明有问题。下表为STK4131/I各脚的正常电压值(电源士27V)。


若各点电压正常但仍无声音,则需检查功放级输出至回路及扬声器是否损坏,有扬声器保护电路的更需仔细检查。
若故障为严重失真,可先检查一下扬声器是否完好,可将左、右声道扬声器对调一试,一般不会二路扬声器同时出同样毛病。然后检查图中R5、R6、c5有无变值或漏电情况。最后检查各滤波电容容量是否减小,这可用一只lOOμF电容逐一并联一试。啸叫故障也主要是由这几个电阻和电容引起:若一切都很正常即可判断为集成块变质或损坏。
3.故障寻迹
若已判断为功放级故障,可参考下图流程图进行检修。逐步跟踪直至找到损坏元件。

- 上一篇:分体空调操作阀泄漏的检修方法
- 下一篇:音响集成电路功放代换技巧